Vaillant atmoTEC Pro VUW 240/3-3 M robbantott ábra

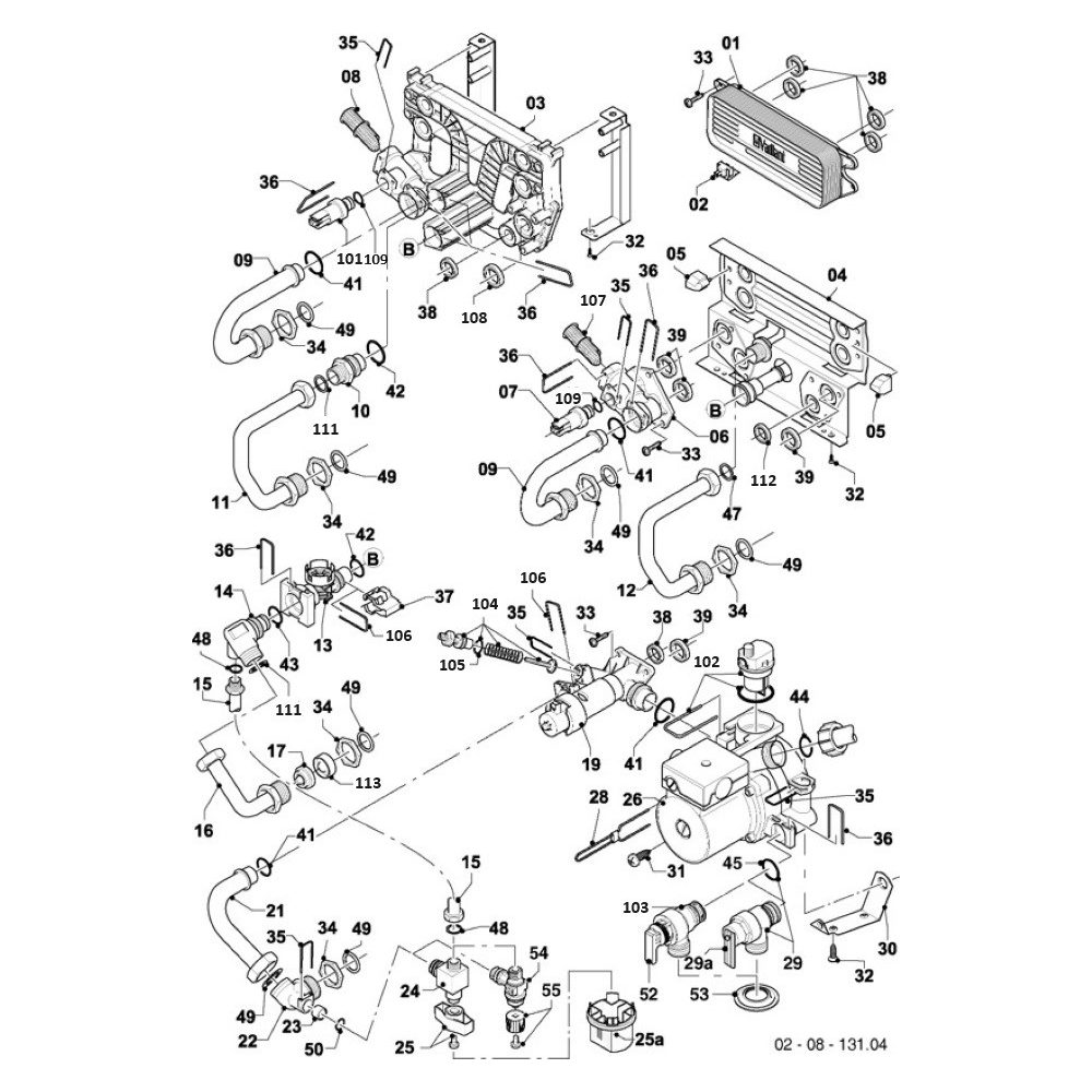
Az alábbi kategóriában láthatja a Vaillant atmoTEC Pro VUW 240/3‑3 M gázkazán robbantott ábráját. Ez a gázkazán egy olyan rajza, mely az alkotó elemeit méretarányosan, egymástól eltolva ábrázolja a készülék gyártója. Ezt külön részegységekre bontva adja meg, amit egy lenyíló ablakban láthat.

Márka: Vaillant

Modell: atmoTEC Pro

Típus: VUW 240/3‑3 M

Cikkszám: 0010003275

Gyártási idószak: ⁨2007⁩ - ⁨2008⁩

A lenti feliratokra kattintva ingyenes letöltheti a készülék dokumentációját:

Szerelési utasítás

Hibakódok

Vaillant atmoTEC Pro VUW 240/3-3 M robbantott ábra
04-Égő
04-Égő
05-Gázarmatúra
05-Gázarmatúra
06-Hőcserélő
06-Hőcserélő
07-Burkolat
07-Burkolat
08-Hidroblokk
08-Hidroblokk
09-Hidraulikus elemek
09-Hidraulikus elemek
12-Elektronika, kábelek
12-Elektronika, kábelek